INFO@MEHPRIVOD.RU
ООО Мехтехника
Тел.: 8 (800) 505-36-88

Электродвигатели Siemens типа AOM

Электродвигатели Siemens типа AOM

Компания Евроредуктор доказала, что категория «электродвигатель-цена» далеко не всегда является прямопропорциональным показателем качества оборудования. Мы предлагаем долговечные и надежные установки по низким ценам. Электродвигатели Siemens серии AOM, AVM, AKM противовзрывного исполнения (EExdIICT4) производятся мощностью от 0,25кВт до 37кВт и габаритами от 71 до 200. Электродвигатели Siemens AOM – надежное оборудование, качество которого обусловлено применением при производстве исключительно проверенного и актуального для данной сферы промышленности материала. В силу того, что электродвигатели выпускаются с учетом норм и требований противовзрывных положений EExdIICT4, они могут использоваться в условиях повышенной опасности. Коэффициент полезного действия может составлять от 64% до 92,2%. Стоит отметить простой принцип управления электродвигателями и неприхотливость в обслуживании. Такая особенность значительно облегчает задачи оператора. Все электродвигатели имеют гарантию, что говорит о высоком качестве продукции и добросовестном отношении производителя к пользователям своей продукции.

Цена: по запросу заказчика

Общее описание:

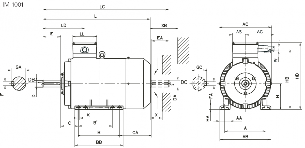
Габаритные и присоединительные размеры электродвигателя AOM с 71 по 200 габарит (лапы)

РИС 1. Габаритные и присоединительные размеры электродвигателя AOM с 71 по 200 габарит (лапы)

Габарит

A

AA

AB

AC

AG

AS

B

B?

BB

C

CA

H

HA

HB

HD

K

L

LC

71MK,.M

112

31

135

142

130

50

90

-

107

45

85

71

8

199

242

7

245

280

80MK,M

125

33

155

158

130

50

100

-

125

50

95

80

9

224

264

9

278

325

90LK,L

140

40

170

180

130

50

125

-

150

56

134

90

12

242

282

11

355

415

100LK,L

160

40

200

200

130

50

140

-

175

63

145

100

12

265

305

13

397

468

112M

190

50

230

242

165

74

140

-

180

70

185

112

15

288

335

13

445

515

132S

216

55

260

290

165

74

140

-

180

89

204

132

17

330

377

13

501

593

132M

216

55

260

290

165

74

178

140

218

89

204

132

17

330

377

13

539

631

160M

254

63

314

328

200

80

210

-

254

108

204

160

22

370

455

15

613

742

160L

254

63

314

328

200

80

254

210

298

108

204

160

22

370

455

15

657

786

180M

279

66

342

364

205

95

241

-

322

121

252

180

22

420

486

15

705

834

180L

279

66

342

364

205

95

279

241

322

121

214

180

22

420

486

15

705

834

200LK,L

318

80

392

405

240

105

305

-

385

133

245

200

28

460

538

19

780

903

ТАБЛИЦА 1.

Габарит

LD

LL

W

X

XB

D

DB

DC

E

GA

F

DA

EA

GC

FA

71MK,.M

122

100

 

50

80

14K6

M5

M5

30

16

5h9

14k6

30

16

5h9

80MK,M

126

100

 

50

80

19K6

M8

M8

40

21.5

6h9

19k6

40

21.5

6h9

90LK,L

147

100

 

50

100

24K6

M8

M8

50

27

8h9

24k6

50

27

8h9

100LK,L

157

100

 

50

100

28K6

M10

M10

60

31

8h9

28k6

60

31

8h9

112M

196

147

 

55

130

28K6

M10

M10

60

31

8h9

28k6

60

31

8h9

132S

222

147

 

55

130

38K6

M12

M12

80

41

10h9

38k6

80

41

10h9

132M

222

147

 

55

130

38K6

M12

M12

80

41

10h9

38k6

80

41

10h9

160M

280

160

 

60

150

42K6

M16

M16

110

45

12h9

42k6

110

45

12h9

160L

280

160

 

60

150

42K6

M16

M16

110

45

12h9

42k6

110

45

12h9

180M

302

190

 

70

150

48K6

M16

M16

110

51.5

14h9

48k6

110

51.5

14h9

180L

302

190

 

70

150

48K6

M16

M16

110

51.5

14h9

48k6

110

51.5

14h9

200LK,L

306

210

 

80

165

55m6

M20

M20

110

59

16h9

55m6

110

59

16h9

ТАБЛИЦА 2.

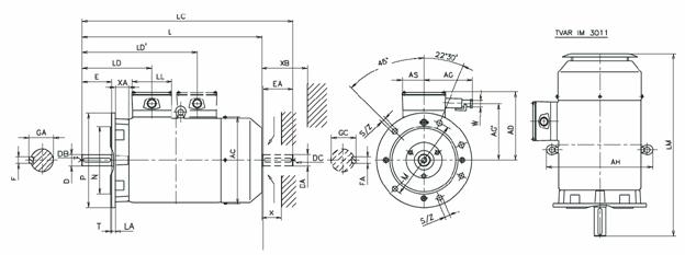
Габаритные и присоединительные размеры электродвигателя AKM с 71 по 200 габарит (фланец)

РИС 2. Габаритные и присоединительные размеры электродвигателя AKM с 71 по 200 габарит (фланец)

Габарит

A

AA

AB

AC

AG

AS

B

B?

BB

C

CA

H

HA

HB

HD

K

L

LC

71MK,.M

112

31

135

142

130

50

90

-

107

45

85

71

8

199

242

7

245

280

80MK,M

125

33

155

158

130

50

100

-

125

50

95

80

9

224

264

9

278

325

90LK,L

140

40

170

180

130

50

125

-

150

56

134

90

12

242

282

11

355

415

100LK,L

160

40

200

200

130

50

140

-

175

63

145

100

12

265

305

13

397

468

112M

190

50

230

242

165

74

140

-

180

70

185

112

15

288

335

13

445

515

132S

216

55

260

290

165

74

140

-

180

89

204

132

17

330

377

13

501

593

132M

216

55

260

290

165

74

178

140

218

89

204

132

17

330

377

13

539

631

160M

254

63

314

328

200

80

210

-

254

108

204

160

22

370

455

15

613

742

160L

254

63

314

328

200

80

254

210

298

108

204

160

22

370

455

15

657

786

180M

279

66

342

364

205

95

241

-

322

121

252

180

22

420

486

15

705

834

180L

279

66

342

364

205

95

279

241

322

121

214

180

22

420

486

15

705

834

200LK,L

318

80

392

405

240

105

305

-

385

133

245

200

28

460

538

19

780

903

ТАБЛИЦА 3.

Габарит

LL

M

N

P

S

Z

T

LA

XA

W

X

XB

D

DB

E

GA

F

DA

EA

GC

FA

71MK,.M

100

130

110J6

160

10

4

3.5

8

15

 

50

80

14k6

M5

30

16

5h9

14k6

30

16

5h9

80MK,M

100

165

130J6

200

12

4

3.5

10

25

 

50

80

19k6

M8

40

21.5

6h9

19k6

40

21.5

6h9

90LK,L

100

165

130J6

200

12

4

3.5

10

15

 

50

100

24k6

M8

50

27

8h9

24k6

50

27

8h9

100LK,L

100

215

180J6

250

15

4

4

11

30

 

50

100

28k6

M10

60

31

8h9

28k6

60

31

8h9

112M

147

215

180J6

250

15

4

4

11

15

 

55

130

28k6

M10

60

31

8h9

28k6

60

31

8h9

132S

147

265

230J6

300

15

4

4

14

40

 

55

130

38k6

M12

80

41

10h9

38k6

80

41

10h9

132M

147

265

230J6

300

15

4

4

14

40

 

55

130

38k6

M12

80

41

10h9

38k6

80

41

10h9

160M

160

300

250h6

350

19

4

5

13

32

 

60

150

42k6

M16

110

45

12h9

42k6

110

45

12h9

160L

160

300

250h6

350

19

4

5

13

32

 

60

150

42k6

M16

110

45

12h9

42k6

110

45

12h9

180M

190

300

250h6

350

19

4

5

16

32

 

70

150

48k6

M16

110

51.5

14h9

48k6

110

51.5

14h9

180L

190

300

250h6

350

19

4

5

16

32

 

70

150

48k6

M16

110

51.5

14h9

48k6

110

51.5

14h9

200LK,L

210

350

300h6

400

19

4

5

15

32

 

80

165

55m6

M20

110

59

16h9

55m6

110

59

16h9

ТАБЛИЦА 4. 

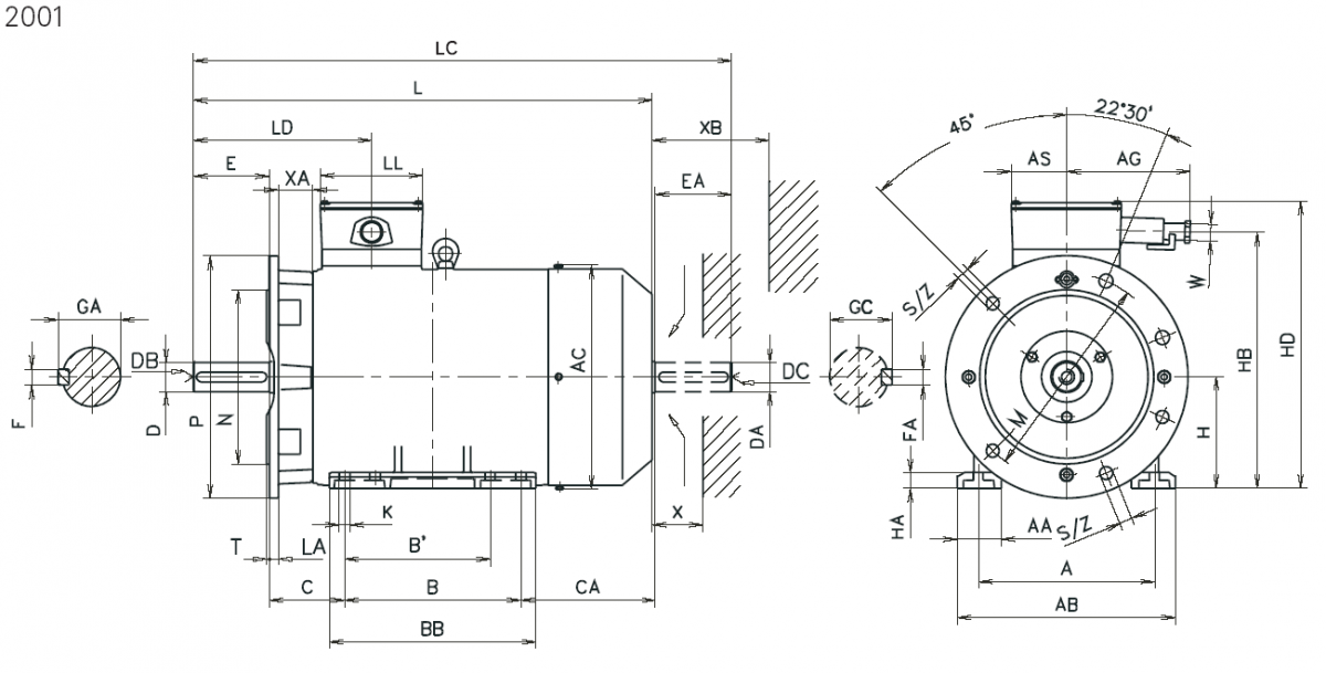
Габаритные и присоединительные размеры электродвигателя AVM с 71 по 200 габарит (фланец)

РИС 3. Габаритные и присоединительные размеры электродвигателя AVM с 71 по 200 габарит (фланец)

Габарит

AC

AD

AG

AG?

AS

AH

L

LM

LC

LD

LD?

LL

M

N

P

S

Z

T

71MK,M

142

171

130

128

50

-

245

270

280

122

-

100

130

110J6

160

10

4

3.5

80MK,M

158

184

130

144

50

-

278

305

325

126

-

100

165

130J6

200

12

4

3.5

90LK,L

180

192

130

152

50

-

355

390

415

147

212

100

165

130J6

200

12

4

3.5

100LK,L

200

205

130

165

50

-

397

438

468

157

245

100

215

180J6

250

15

4

4

112M

242

223

165

176

74

330

445

485

515

196

247

147

215

180J6

250

15

4

4

132S

290

245

165

198

74

370

501

544

593

222

304

147

265

230J6

300

15

4

4

132M

290

245

165

198

74

370

539

582

631

222

342

147

265

230J6

300

15

4

4

160M

328

295

200

210

80

430

613

662

742

280

367

160

300

250h6

350

19

4

5

160L

328

295

200

210

80

430

657

706

786

280

411

160

300

250h6

350

19

4

5

180M,L

364

306

205

240

95

468

705

760

834

302

433

190

300

250h6

350

19

4

5

200LK,L

405

338

240

260

105

511

780

850

903

306

483

210

350

300h6

400

19

4

5

ТАБЛИЦА 5.

Габарит

XA

LA

X

XB

DB

D

E

GA

F

DA

DC

EA

GC

FA

71MK,M

15

8

50

80

M5

14k6

30

16

5h9

14k6

M5

30

16

5h9

80MK,M

25

10

50

80

M8

19k6

40

21.5

6h9

19k6

M8

40

21.5

6h9

90LK,L

15

10

50

100

M8

24k6

50

27

8h9

24k6

M8

50

27

8h9

100LK,L

30

11

50

100

M10

28k6

60

31

8h9

28k6

M10

60

31

8h9

112M

15

11

55

130

M10

28k6

60

31

8h9

28k6

M10

60

31

8h9

132S

40

14

55

130

M12

38k6

80

41

10h9

38k6

M12

80

41

10h9

132M

40

14

55

130

M12

38k6

80

41

10h9

38k6

M12

80

41

10h9

160M

32

13

60

150

M16

42k6

110

45

12h9

42k6

M16

110

45

12h9

160L

32

13

60

150

M16

42k6

110

45

12h9

42k6

M16

110

45

12h9

180M,L

32

16

70

150

M16

48k6

110

51.5

14h9

48k6

M16

110

51.5

14h9

200LK,L

32

15

80

165

M20

55m6

110

59

16h9

55m6

M20

110

59

16h9

ТАБЛИЦА 6. 

Технические характеристики AOM