INFO@MEHPRIVOD.RU
ООО Мехтехника
Тел.: 8 (800) 505-36-88

Модуль ввода-вывода дискретных сигналов LOGO! DM8 12/24R

Модуль ввода-вывода дискретных сигналов LOGO! DM8 12/24R

Модуль дискретного ввода вывода LOGO!DM8 12/24R, заказной номер 6ED1055-1MB00-0BA1:

  • Параметры питания: =12/24В;
  • Количество дискретных входов: 4;
  • Количество транзисторных выходов: 4 (нормально разомкнутые реле).

Цена: от 2 394 руб.

Общее описание

Устройство модуля LOGO!DM8 24

  • 1.Источник питания
  • 2-3. Входы и выходы   
  • 4. Индикатор типа RUN/STOP
  • 5. Интерфейс расширения 
  • 6. Штифты механической кодировки
  • 7. Гнезда механической кодировки
  • 8. Специальная защелка/фиксатор

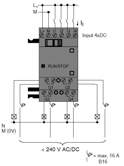
Особенности схемы и возможности подключения модулей расширения к LOGO!DM8 12/24R

Схема подключения модулей расширения к LOGO!DM8 12/24R

Расшифровка нижеприведенных обозначений:

  •     «х» - подключение приемлемо,
  •     «-» - подключить нельзя.

Подключение модулей расширения к LOGO!DM8 12/24R

Специфика монтажа модуля LOGO!DM8 12/24R

Специфика монтажа модуля LOGO!DM8 24

Поэтапный монтаж на DIN-рейку:

1. На первом этапе осуществления монтажных работ следует навесить модуль на рейку;
2. Путем нажимания на нижнюю часть, срабатывает специальная защелка модуля, выполняется надежная его фиксация (защелка расположена на задней части прибора);
3. С правой стороны модуля находится крышка разъема, которую необходимо снять;
4. С правой стороны от LOGO!Basic помещается модуль на DIN-рейку;
5. Перемещаем модуль в левую сторону таким образом, чтобы последний контактировал с LOGO!Basic;
6. Посредством отвертки защелка отодвигается влево, после чего она должна занять крайнее левое положение.

Монтаж дополнительного оборудования выполняется путем поэтапного повторения всех пунктов, относящихся к монтажу цифрового модуля.

Поэтапный монтаж на стену:

Аккуратно переместите монтажные защелки наружу, как правило, они расположены на задней стенки устройства. Непосредственно монтаж модуля выполняется при помощи двух монтажных защелок и двух винтов ØM4 (момент затяжки 0,8-1,2Нм).

Технические характеристики LOGO!DM8 12/24R:

Блок питания:

Входное напряжение

12/24В (ток постоянный)

Допустимый диапазон

10,8...28,8В (ток постоянный)

Защита от обратной полярности

Имеется

Потребление тока
• 12В (ток постоянный)
• 24В (ток постоянный)

30...140мА
20...75мА

Буферизация исчезновения напряжения
• 12В (ток постоянный)
•24 В (ток постоянный)

тип. 2мс
тип. 5мс

Мощность потерь
• 12В (ток постоянный)
• 24В (ток постоянный)

0,3...1,7Вт
0,4...1,8Вт

Буферизация часов в условиях 25°C

тип. 80час.

Точность опции часов реального времени

тип. ±2 с/день

Цифровые входы:

Количество

8

Потенциальная развязка

Нет

Входное напряжение L при
• Сигнал 0
• Сигнал 1

< 5В (ток постоянный)
> 8В (ток постоянный)

Входной ток при
• сигнале 0
• сигнале 1

< 1,0мА (I1...I6)
< 0,05мА (I7, I8)

> 1,5мА (I1... I6)
> 0,1мА (I7, I8)

Время задержки при
• переходе с 0 на 1
• переходе с 1 на 0

тип. 1,5мс <1,0мс (I5, I6)
тип. 1,5мс <1,0мс (I5, I6)

Длина линии (неэкранированной)

100 м

Аналоговые входы:

Количество

2 (I7 = AI1, I8 = AI2)

Диапазон

0...10В (ток постоянный) входной импеданс 76кОм

Время цикла, необходимое для формирования аналоговых значений

300мс

Входное напряжение (max)

28,8В (ток постоянный)

Длина линии (экранированная витая пара)

10м

Цифровые выходы:

Количество

4

Тип выходов

Релейные выходы

Потенциальная развязка

Да

Группами по

1

Управление цифровым входом

Да

Длительный ток Ith (на клемму)

10A на реле (max)

Нагрузка из ламп накаливания (25 000 циклов переключения)

1000Вт

Люминесцентные лампы с дросселем (25 000циклов переключения)

10 x 58Вт

Люминесцентные лампы с обычной компенсацией
(25000 циклов переключения)

1 x 58Вт

Люминесцентные лампы, некомпенсированные (25000
циклов переключения)

10 x 58Вт

Понижение номинала

нет; во всем диапазоне температур

Устойчивость к коротким замыканиям при cos  = 1

Защита по питанию B16 600A

Устойчивость к коротким замыканиям при cos  от 0,5 до 0,7

Защита по питанию B16 900A

Параллельное включение выходов для увеличения мощности

Не допускается

Защита выходного реле (если желательна)

макс. 16A, характеристика B16

Частота включений:

механическая

10Гц

омическая/ламповая нагрузка

2Гц

индуктивная нагрузка

0,5Гц