INFO@MEHPRIVOD.RU
ООО Мехтехника
Тел.: 8 (800) 505-36-88

Редуктор червячный одноступенчатый 4Ч-80

Редуктор червячный одноступенчатый 4Ч-80

Редуктор червячный ч 80, 4Ч-80 служит для преобразования показателей крутящего момента, успешно используется при конструировании практически всех видов и типов механизмов, машин и оборудования. Вращение валов редуктора осуществляется в обе стороны, при этом его эффективность не снижается. Оборудование оптимизировано для беспроблемной работы в 4-х видах атмосферных условий и характеризуется продолжительным сроком эксплуатации даже при тяжелых условиях процесса. Исчерпывающая информация о червячном редукторе содержится в прилагающейся к механизму документации, при возникновении вопросов всегда можно связаться с менеджерами компании.

Цена: от 6 930 руб.

Скачать прайс: xls zip

Базовые условия использования редукторов:

  • Тип нагрузки: постоянная/переменная, одного направления/реверсивная;
  • Режимы использования редуктора: с остановками/длительная работа до 24 ч. в сутки;
  • Вал вращается в оба направления с частотой < 1500 об/мин.;
  • Атмосфера I/II (ГОСТ 15150—93), запыленность окружающего воздуха <10мг/м.куб, климатическое исполнение: У, Т для категорий 1-3, а также климат. исполнение УХЛ /О - категории 4 (ГОСТ 15150—93).

Общее описание:

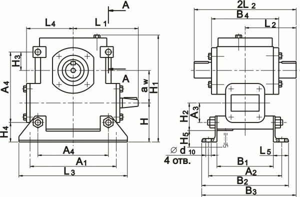
Габаритные и присоединительные размеры 4Ч-80

РИС 1. Габаритные и присоединительные размеры

Входной/выходной вал редуктора 4ч-80

РИС 2. Входной/выходной вал

Типоразмер редуктора aw A1 A2 A3 A4 B1 B2 B3 B4 H H1 H2 H3 H4 H5 L1
4Ч-80 80 225 185 50 180 140 212 250 165 92 267 75 50 42 190 160

Типоразмер редуктора L2 L3 L4 L5 b1 b2 d1 d2 d3 d4 d5 d6 d7 d8 d9 d10
4Ч-80 145 260 120 36 5 10 25 35 22.9 M8 M8 12.5 18 41 90 15

Типоразмер редуктора h1 h2 l1 l2 l3 l4 l5 l6 l7 l8 t1 t2 эвольвентные шлицы ГОСТ 6033-80 объем масла, л масса, кг
4Ч-80 5 8 42 58 20 20 8 64 26 116 3 30 40 х1,5х8Н 0.5…1.0 18.6

ТАБЛ 1. Габаритные и присоединительные размеры

Варианты сборки редукторов 4Ч-80

РИС 3. Варианты сборки редукторов

Варианты расположения червячной пары 4Ч-80

РИС 4. Варианты расположения червячной пары

Варианты расположения лап по плоскости 4Ч-80

РИС 5. Варианты расположения лап по плоскости

Технические характеристики червячного редуктора 4Ч-80

Межосевое расстояние, мм 80
Номинальная частота вращения входного вала, об/мин 1500
Передаточное число номинальное 8,0 10,0 12,5 16,0 20,0 25,0 31,5 40,0 50,0 63,0 80,0
Номинальный крутящий момент на выходном валу при основном повторно-кратковременном режиме с продолжительностью включения ПВ=40% , Н*м. 250 224 250 224
Номинальный крутящий момент на выходном ном валу в непрерывном режиме включения ПВ=100% Н*м. 180 160 180 200 180 160
КПД в непрерывном режиме с ПВ=100%, не менее 87 86 85 82 78 76 70 64 62 55 51
Допускаемая радиальная консольная нагрузка, приложенная в середине посадочной части входного вала, Н, в режиме с ПВ 40% 500
100% 450
Допускаемая радиальная консольная нагрузка, приложенная в середине посадочной части входного вала, Н, в режиме с ПВ 40% 4000
100% 3800
Корректированный уровень звуковой мощности, дБА, не более 83
Масса, кг, не более 15,0

Пример условного обозначения при заказе

Редуктор 4Ч-80А-31, 5-51-1110 У2 ТУ У3.26-00224828-338-96, где:

  • 4 - порядковый номер модернизации конструкции редуктора;
  • Ч - тип редуктора - червячный одноступенчатый;
  • 80 - межосевое расстояние, мм;
  • А - отличительный индекс;
  • 31,5 - передаточное число;
  • 51- вариант сборки по ГОСТ 26373-94;
  • 1110 — конструктивное исполнение по способу монтажа по ГОСТу 30164-94;
  • У2 - климатическое исполнение и категория по ГОСТ 15150.