INFO@MEHPRIVOD.RU
ООО Мехтехника
Тел.: 8 (800) 505-36-88

Редукторы цилиндрические одноступенчатые 1ЦУ-100, 1ЦУ-160, 1ЦУ-200, 1ЦУ-250

Редукторы цилиндрические одноступенчатые 1ЦУ-100, 1ЦУ-160, 1ЦУ-200, 1ЦУ-250

Одноступенчатый редуктор цилиндрический узкий горизонтальный общемашиностроительного применения типов 1ЦУ-100, 1ЦУ-160, 1ЦУ-200, 1ЦУ-250 предназначен для увеличения крутящего момента и уменьшения частоты вращения. Перед отправкой оборудования заказчику, покупателю, каждая единица партии проходит строгий выходной контроль, по результатам которого одноступенчатые редукторы, имеющие даже незначительные отклонения от производственных норм и стандартов, отправляются на доработку. Кроме высокого качества оборудования, заказчик может рассчитывать на объективный уровень цен, которые формируются, исходя из тщательно разработанной и проанализированной ценовой политики производителя.

Цена: от 19 840 руб.

Скачать прайс: xls zip

Условия применения одноступенчатых цилиндрических редукторов:

  • нагрузка постоянная и переменная, одного направления и реверсивная;
  • работа постоянная или с периодическими остановками;
  • вращение валов в любую сторону
  • частота вращения входного вала не должна превышать 1800 об/мин;
  • атмосфера типов I и II по ГОСТ 15150-69 при запыленности воздуха не более 10 мг/м3;
  • климатические исполнения У, Т ( для категории размещения 1...3 ) и климатические исполнения УХЛ и О ( для категорий размещения 4 ) по ГОСТ 15150-69.

Общее описание:

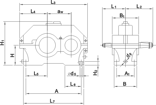
Габаритные и присоединительные размеры ЦУ100 - ЦУ250

Габаритные и присоединительные размеры одноступенчатых цилиндрических редукторов 1ЦУ-100, 1ЦУ160, 1ЦУ-200, 1ЦУ-250.

РИС 1. Габаритные и присоединительные размеры ЦУ100 - ЦУ250

Типоразмер редуктора аw А A1 В B1 H H1 H2 L1 L2 L3 L4 L5 L6
ЦУ-100 100 224 95 132 140 112 224 22 136 155 315 132 85 90
ЦУ-160 160 355 125 175 185 170 335 28 218 218 475 195 136 125
ЦУ-200 200 437 136 200 212 212 425 36 230 265 580 236 165 160
ЦУ-250 250 545 185 250 265 265 530 40 280 315 710 290 212 190
Типоразмер редуктора L7 b1 b2 d1 d2 d3 d4 d5 d6 d7 d8 h1 h2
ЦУ-100 265 8 10 25 35 M16x1,5 М20х1,5 15 M24x1,5 40 45 7 8
ЦУ-160 412 14 16 45 55 М30х2,0 МЗ6х3,0 24 M24x1,5 63 75 9 10
ЦУ-200 500 16 20 55 70 М36х3,0 М48х3,0 24 M24x1,5 75 100 10 12
ЦУ-250 615 20 25 70 90 М48х3,0 М64х4,0 28 М24х1,5 100 130 12 14

ТАБЛ 1. Габаритные и присоединительные размеры ЦУ100 - ЦУ250

Варианты сборки редукторов типа 1ЦУ

РИС 2. Варианты сборки редукторов типа 1ЦУ

Типоразмер редуктора l1 l2 l3 l4 t1 t2
ЦУ-100 42 58 60 80 4,0 5,0
ЦУ-160 82 82 110 110 5,5 6,0
ЦУ-200 82 105 110 140 6,0 7,5
ЦУ-250 105 130 140 170 7,5 9,0
Типоразмер редуктора Номинальные передаточные числа
2 2,5 3,15 4 5 6,3
ЦУ-100 Не лимитируется
ЦУ-160
ЦУ-200 80 74 68 60 54 47
ЦУ-250 127 118 108 97 87 76

ТАБЛ 2. Термическая мощность, кВт.

 

Технические характеристики редукторов типа ЦУ100 - ЦУ250

Типоразмер редуктора Номинальный вращающий момент на выходном валу Мт , Н*м Допускаемая радиальная нагрузка, Н Объем заливаемого масла, л Масса кг
на входном валу Fвх на выходном валу Fвых
ЦУ-100 250 500 2000 1 27
ЦУ-160 1000 1000 4000 2 75
ЦУ-200 2000 2000 5600 4 135
ЦУ-250 4000 3000 8000 7,5 250

 

Пример условного обозначения при заказе:

Редуктор 1ЦУ-160-4-12K У2:

Цилиндрический одноступенчатый редуктор с межосевым расстоянием тихоходной ступени 160 мм, номинальным передаточным числом 4, вариантом сборки 12, коническим концом тихоходного вала K, климатическим исполнением У и категорией размещения 2.