INFO@MEHPRIVOD.RU
ООО Мехтехника
Тел.: 8 (800) 505-36-88

Цилиндрические редукторы зубчатые трехступенчатые ЦЗУ-160, ЦЗУ-200, ЦЗУ-250

Цилиндрические редукторы зубчатые трехступенчатые ЦЗУ-160, ЦЗУ-200, ЦЗУ-250

Редуктор Ц3У зубчатый цилиндрический трехступенчатый узкий горизонтальный общего назначения служит для увеличения показателей крутящего момента и уменьшения значения частоты вращения. Используется данный тип оборудования в макроклиматических районах, характеризующихся умеренным климатом (тип исполнения - У), сухим/влажным тропическим климатом (тип исполнения - Т), категория размещения 1/2/3/4 (эксплуатация на открытом воздухе/под навесом, а также в условиях закрытых помещений и в помещениях, оснащенных системой регулирования климата). Техническое исполнение ЦЗУ редуктора аналогично 1ЦЗУ. Особенностями тихоходного вала является то, что его исполнение может быть коническим (стандартным), цилиндрическим (нюансы уточняются при заказе), иметь вид зубчатой муфты или полым шлицевым. Размеры этого вала аналогичны модификации 1Ц2У.

Цена: от 17 300 руб.

Скачать прайс: xls zip

Базовые условия использования редукторов:

  • Тип и характер нагрузки: постоянная/переменная, одно  направление/реверсивная;
  • Особенности режимов работы: длительная (до 24 часов/сут.), с периодическими остановами;
  • Вращение вала: в обе стороны с частотой < 1800 об/мин.;
  • Атмосфера: I и II (ГОСТ 15150 – 69), запыленность окружающего воздуха < 10 мг/куб.м.;
  • Специфика климатических исполнений: У и Т, категории размещения 1...3; и модификация УХЛ и О для категории 4, модели редукторов 1Ц3У-160 - исполнение ХЛ категории 1...3 (ГОСТ 15150-69).

Общее описание:

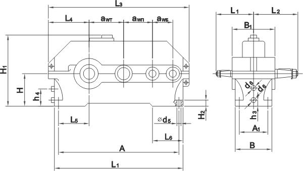
Габаритные и присоединительные размеры Ц3У160 - Ц3У250

РИС 1. Габаритные и присоединительные размеры

Входной/выходной вал Ц3У160 - Ц3У250

РИС 2. Входной/выходной вал

Параметр Типоразмер редуктора
ЦЗУ-160 ЦЗУ-200 ЦЗУ-250
awБ 160 200 250
awП 100 125 160
awТ 80 100 125
А 475 580 750
А1 140 165 218
В 195 230 280
B1 206 243 290
Н 170 212 265
Н1 345 425 530
Н2 28 36 40
L1 160 190 236
L2 224 280 335
L3 630 775 950
L4 195 236 290
L5 136 165 212
L6 145 185 230
L7 530 650 825
b1 4 5 5
b2 14 18 22
d1 20 25 30
d2 55 70 90
d3 М12х1.25 M16xl,5 M20xl,5
d4 МЗ6xЗ М48х3 М64х4
d5 24 24 8
d6 М24 М24 М24
d7 40 45 50
d8 88 100 130
h1 4 5 5
h2 9 11 14
h3 32 32 32
h4 110 125 160
l1 36 42 58
l2 82 105 130
l3 50 60 80
l4 110 140 170
t1 2,5 3,0 3,0
t2 5,5 7,0 9,0
Объем заливаемого масла, л 6,2 12,0 18,4
Масса, кг 160 186 335

ТАБЛ 1. Габаритные и присоединительные размеры

Варианты сборки редукторов типа Ц3У

РИС2. Варианты сборки редукторов типа Ц3У

Технические характеристики цилиндрических редукторов ЦЗУ

Параметр Типоразмер редуктора
ЦЗУ-160 ЦЗУ-200 ЦЗУ-250
Номинальные передаточные числа 31,5; 40; 45; 50; 56; 63; 80; 100; 125; 160; 200 16; 20; 25; 31,5; 40; 45; 50; 56; 63; 80; 100; 125; 160; 200
Номинальный вращающий момент на выходном валу Н*м 1250 2500 5000
Номинальная радиальная сила, Н:
на входном валу 500 1000 2000
на выходном валу 8000 11200 16000
Объем заливаемого масла, л 6,2 12,0 18,4
Масса, кг 106 186 335

Пример условного обозначения при заказе

Редуктор 1Ц3У-200-160-12K У2, где:

Цилиндрический трехступенчатый редуктор с межосевым расстоянием тихоходной ступени 200 мм, номинальным передаточным числом 160, вариантом сборки 12, коническим концом тихоходного вала K, климатическим исполнением У и категорией размещения 2.