INFO@MEHPRIVOD.RU
ООО Мехтехника
Тел.: 8 (800) 505-36-88

Роликовые однорядные и многорядные ПР, ПРА, ПРЛ, ПРН

Роликовые однорядные и многорядные ПР, ПРА, ПРЛ, ПРН

Цепь приводная роликовая однорядная и многорядная – надежное приспособление, которое используется в различных сферах и отраслях промышленности. Исходя из параметров повышенной точности и прочности, выбирается модель цепи, идеально подходящая под определенные эксплуатационные условиях. Входящие в состав цепи ролики, которые свободно насаживаются на втулку, под воздействием передачи цепного типа занимают свое место в соответствующих впадинах звездочек, тем самым передавая им нагрузку, или же воспринимая нагрузку от них.  В целях увеличения мощности привода стоит использовать многорядные роликовые цепи. Соединяются такие цепи посредством удлинительных валиков. То есть такая конструкция может выдерживать нагрузку, которая будет прямопропорциональна числу рядов. Важно отметить, что все цепи в процессе производства проверяются на вытяжку. 

Цена: от 50 руб. за 1 п.м.

Пример условного обозначения при заказе

Цепь ПР-12,7-1820 ГОСТ 13568-75, что означает:

  • ПР - приводная роликовая цепь
  • 12,7 - шаг цепи, мм
  • 1820 - разрушающая нагрузка , кг

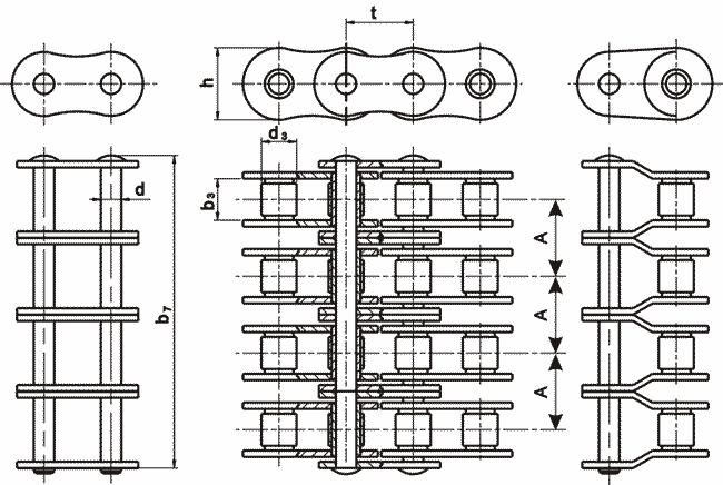
Общее описание

Тип ПР

РИС. 1
Тип ПР

Тип 2ПР

РИС. 2
Тип 2ПР

Тип 3ПР

РИС. 3
Тип 3ПР

Тип 4ПР

РИС. 4
Тип 4ПР

Обозначение цепи

Основные параметры, мм

Разрушающая нагрузка, кг

Масса 1м цепи, кг

t

b3

d1

d3

h

b7

A

Повышенной точности (типа ПР)

ПР-8-460

8,00

3,00

2,31

5,00

7,5

14

 

460

0,20

ПР-9.525-910

9,525

5,72

3,28

6,35

8,5

17

 

910

0,45

ПР-12,7-900-2

12,7

3,3

3,66

7,75

10,0

12

 

900

0,35

ПР-12,7-1000

12,7

2,4

3,66

7,75

10,0

10,5

 

1000

0,30

ПР-12,7-1820-1

12,7

5,4

4,45

8,51

11,8

19

 

1820

0,65

ПР-12,7-1820-2

12,7

7,75

4,45

8,51

11,8

21

 

1820

0,75

2ПР-12,7-3180

12,7

7,75

4,45

8,51

11,8

35

13,92

3180

1,4

ЗПР-12,7-4540

12,7

7,75

4,45

8,51

11,8

50

13,92

4540

2,0

ПР-15,875-2300-1

15,875

6,48

5,08

10,16

14,8

20

 

2300

0,8

ПР-15,875-2300-2

15,875

9,65

5,08

10,16

14,8

24

 

2300

1,0

2ПР-15,875-4540

15,875

9,65

5,08

10,16

14,8

41

16,59

4540

1,9

ЗПР-15,875-6810

15,875

9,65

5,08

10,16

14,8

57

16,59

6810

2,8

ПР-19,05-3180

19,05

12,7

5,94

11,91

17,0

33

 

3180

1,9

2ПР-19,05-6400

19,05

12,7

5,96

11,91

18,2

53,4

22,78

6400

2,9

2ПР-19,05-7500

19,05

12,7

5,94

11,91

17,0

54

25,5

7500

3,35

ЗПР-19,05-9600

19,05

12,7

5,96

11,91

18,08

76,2

22,78

9600

4,3

4ПР-19,05-12800

19,05

12,7

5,94

11,91

18,08

101,9

22,78

12800

5,75

4ПР-19,05-15500

19,05

12,7

5,94

11,91

17

104,8

25,5

15500

6,78

ПР-25,4-6000

25,4

15,88

7,92

15,88

24,2

39

 

6000

2,6

2ПР-25,4-11400

25,4

15,88

7,92

15,88

24,2

68

29,29

11400

5,0

ЗПР-25,4-17100

25,4

15,88

7,92

15,88

24,2

98

29,29

17100

7,5

ПР-31,75-8900

31,75

19,05

9,53

19,05

30,2

46

 

8900

3,8

2ПР-31,75-17700

31,75

19,05

9,53

19,05

30,2

82

35,76

17700

7,3

ЗПР-31,75-26550

31,75

19,05

9,53

19,05

30,2

120

35,76

26550

11

ПР-35-5000

35

22,0

9,15

22,0

24,0

40,5

 

5000

 

ПР-38,1-12700

38,1

25,4

11,1

22,23

36,2

58

 

12700

5,5

ПР-44,45-17240

44,45

25,4

12,7

25,4

42,4

62

 

17240

7,5

ПР-50,8-22700

50,8

31,75

14,27

28,58

48,3

72

 

22700

9,7

Нормальной точности (типа ПРА)

ПРА-38,1-12700

38,1

25,4

11,1

22,23

36,2

58

 

12700

5,5

2П PA-38,1-25400

38,1

25,4

11,1

22,23

36,2

104

45,44

25400

11

ЗП PA-38,1-38100

38,1

25,4

11,1

22,23

36,2

150

45,44

38100

16,5

ПРА-44,45-17240

44,45

25,4

12,7

25,4

42,4

62

 

17240

7,5

2П PA-44,45-34480

44,45

25,4

12,7

25,4

42,24

110

48,87

34480

14,4

ЗПР-44,45-51780

44,45

25,4

12,7

25,4

42,24

160

48,87

51720

21,7

ПPA-50,8-22700

50,8

31,75

14,27

28,58

48,3

72

 

22700

9,7

2ПPA-50,8-45360

50,8

31,75

14,27

28,58

48,3

130

58,55

45360

19,1

ЗПPA-50,8-68040

50,8

31,75

14,27

28,58

48,3

190

58,55

68040

28,3

ПРА-63,5-35400

63,5

38,1

19,84

39,68

60,4

89

 

35400

16,0

Легкой серии (типа ПРЛ)

ПРЛ-38,1-10700

38,1

25,4

11,1

22,23

36,2

58

 

10700

5,5

ПРЛ-44,45-13700

44,45

25,4

13,7

25,4

42,4

62

 

13700

7,5

2ПРЛ-44,45-25000

44,45

25,4

13,7

25,4

42,4

110

48,87

25000

 

ЗПРЛ-44,45-38000

44,45

25,4

13,7

25,4

42,4

160

48,87

38000

 

Повышенной точности и прочности (нормального типа ПРН). ТУ 3-2160-90

1ПРН-25,4-6500

25,4

15,88

8,02

15,88

24,13

33,6

 

6500

2,62

2ПРН-25.4-13000

25,4

15,88

8,02

15,88

24,13

62,6

29,29

13000

5,24

ЗПРН-25,4-19500

25,4

15,88

8,02

15,88

24,13

92,6

29,29

19500

7,86

4ПРН-25,4-26000

25,4

15,88

8,02

15,88

24,13

244,1

29,29

26000

10,48

1 ПРН-31,75-10000

31,75

19,05

9,62

19,05

30,18

39,9

 

10000

4,2

2ПРН-31,75-20000

31,75

19,05

9,62

19,05

30,18

75,9

35,76

20000

8,4

ЗПРН-31,75-30000

31,75

19,05

9,62

19,05

30,18

111,9

35,76

30000

12,6

1 ПРН-38,1-15000

38,1

19,05

14,27

25,23

34,0

25

 

15000

5,51

1 ПРН-50,8-25000

50,8

31,75

14,27

28,58

48,26

64,1

 

25000

10,8

2ПРН-50,8-50000

50,8

31,75

14,27

28,58

48,26

122,1

58,55

50000

21,4

ЗПРН-50,8-75000

50,8

31,75

14,27

28,58

48,26

182,1

58,55

75000

32,1

4ПРН-50,8-100000

50,8

31,75

14,27

28,58

46,26

252,3

58,55

100000

38,9